

1.產品概述
儲氣罐是以儲氣方式儲存能量。作為氣體動力源,或作為非隔離式蓄能器,氣體與液體直接接觸,在液壓、氣動系統中起儲能、補償液壓損耗和穩定壓力等作用,目的是增加排油容量,減少泵機絨組功率。非隔離式蓄能器具有容量大、功能損耗少、節約能源、占地面積小等優點。本公司生產的非隔離式蓄能器儲氣罐采用無縫鋼管熱旋壓成形工藝,具有安全可靠、外形美觀、性能穩定的特點。目前已廣泛應用于機械工業和軍工行業等領域之中。
非隔離式蓄能器站一般與活塞式蓄能器配套使用,目的是增加排油容量,減少泵機絨組功率,從而起到節能作用,應用于快速放油液場合,如大型壓鑄機上。

非隔離式蓄能器站
2.型號說明
C Q P Φ – V / P ※ - ※
①②③④ ⑤ ⑥
?、?儲氣瓶
?、?罐體外徑(mm)
?、?公稱容量:(L)
④ 公稱壓力:(Mpa)
?、?結構型式:A—雙頭 B—單頭
?、?螺紋類型
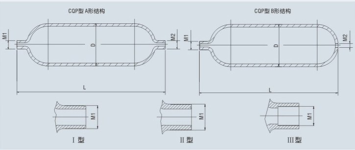
3.外形尺寸

4.技術參數
型號 | 外徑 (mm) | 公稱壓力 (Mpa) | 公稱容積 (L) | 基本尺寸 | 連接螺紋 | 重量 (KG) | |||
A型 | B型 | M1 | M2 | A型 | B型 | ||||
CQPΦ-10/14-※ | 219 | 14 | 10 | 570 | 510 | M60×2-6g | M30×1.5-6H | 44 | 41 |
CQPΦ-16/14-※ | 16 | 760 | 700 | 59 | 56 | ||||
CQPΦ-25/14-※ | 25 | 1090 | 1030 | 82 | 79 | ||||
CQPΦ-32/14-※ | 32 | 1330 | 1280 | 98 | 95 | ||||
CQPΦ-40/14-※ | 40 | 1610 | 1550 | 118 | 115 | ||||
CQPΦ-10/20-※ | 20 | 10 | 570 | 570 | 38 | 36 | |||
CQPΦ-16/20-※ | 16 | 760 | 760 | 51 | 49 | ||||
CQPΦ-25/20-※ | 25 | 1090 | 1030 | 70 | 68 | ||||
CQPΦ-32/20-※ | 32 | 1330 | 1280 | 84 | 82 | ||||
CQPΦ-40/20-※ | 40 | 1610 | 1550 | 101 | 99 | ||||
CQPΦ-10/31.5-※ | 31.5 | 10 | 570 | 570 | 44 | 41 | |||
CQPΦ-16/31.5-※ | 16 | 760 | 760 | 59 | 56 | ||||
CQPΦ-25/31.5-※ | 25 | 1090 | 1030 | 82 | 79 | ||||
CQPΦ-32/31.5-※ | 32 | 1330 | 1280 | 98 | 95 | ||||
CQPΦ-40/31.5-※ | 40 | 1610 | 1550 | 118 | 115 | ||||
CQPΦ-40/14-※ | 299 | 14 | 40 | 990 | 930 | M80×2-6g | M42×2-6H | 130 | 127 |
CQPΦ-50/14-※ | 50 | 1170 | 1110 | 154 | 151 | ||||
CQPΦ-63/14-※ | 63 | 1410 | 1350 | 184 | 181 | ||||
CQPΦ-72/14-※ | 72 | 1580 | 1520 | 205 | 202 | ||||
CQPΦ-80/14-※ | 80 | 1710 | 1650 | 224 | 221 | ||||
CQPΦ-100/14-※ | 100 | 2090 | 2030 | 268 | 271 | ||||
CQPΦ-40/20-※ | 20 | 40 | 990 | 930 | 87 | 85 | |||
CQPΦ-50/20-※ | 50 | 1170 | 1110 | 103 | 101 | ||||
CQPΦ-63/20-※ | 63 | 1410 | 1350 | 123 | 121 | ||||
CQPΦ-72/20-※ | 72 | 1580 | 1520 | 137 | 135 | ||||
CQPΦ-80/20-※ | 80 | 1710 | 1650 | 150 | 148 | ||||
CQPΦ-100/20-※ | 100 | 2090 | 2030 | 170 | 172 | ||||
CQPΦ-40/31.5-※ | 31.5 | 40 | 990 | 930 | 130 | 127 | |||
CQPΦ-50/31.5-※ | 50 | 1170 | 1110 | 154 | 151 | ||||
CQPΦ-63/31.5-※ | 63 | 1410 | 1350 | 184 | 181 | ||||
CQPΦ-72/31.5-※ | 72 | 1580 | 1520 | 205 | 202 | ||||
CQPΦ-80/31.5-※ | 80 | 1710 | 1650 | 224 | 221 | ||||
CQPΦ-100/31.5-※ | 100 | 2090 | 2030 | 281 | 284 | ||||
型號 | 外徑 (mm) | 公稱壓力 (Mpa) | 公稱容積 (L) | 基本尺寸 (mm) | 連接螺紋 | 重量 (Kg) | |||
A型 | B型 | M1 | M2 | A型 | B型 | ||||
CQPΦ-63/20-※ | 351 | 20 | 63 | 1100 | 1040 | M115×3-6g | M42×2-6H | 149 | 145 |
CQPΦ-80/20-※ | 80 | 1320 | 1260 | 178 | 174 | ||||
CQPΦ-100/20-※ | 100 | 1580 | 1520 | 216 | 212 | ||||
CQPΦ-125/20-※ | 125 | 1910 | 1850 | 256 | 252 | ||||
CQPΦ-150.20-※ | 150 | 2240 | 2180 | 299 | 295 | ||||
CQPΦ-180/20-※ | 180 | 2640 | 2580 | 352 | 348 | ||||
CQPΦ-200/20-※ | 200 | 2900 | 2840 | 386 | 382 | ||||
CQPΦ-63/32-※ | 32 | 63 | 1100 | 1040 | 183 | 178 | |||
CQPΦ-80/32-※ | 80 | 1320 | 1260 | 219 | 215 | ||||
CQPΦ-100/32-※ | 100 | 1580 | 1520 | 262 | 257 | ||||
CQPΦ-125/32-※ | 125 | 1910 | 1850 | 316 | 311 | ||||
CQPΦ-150/32-※ | 150 | 2240 | 2180 | 369 | 364 | ||||
CQPΦ-180/32-※ | 180 | 2640 | 2580 | 435 | 430 | ||||
CQPΦ-200/32-※ | 200 | 2900 | 2840 | 477 | 472 | ||||
注:對表格以外的特殊規格或連接尺寸的儲氣罐,可根據用戶要求進行生產。
5.注意事項
① 儲氣罐不得采用焊接或鉚接方法固定。
?、?儲氣罐安裝后應檢查接口處是否漏氣。
?、?儲氣罐使用后,應按規定定期進行檢查。
?、?儲氣罐嚴禁使用氧氣及易燃、易爆氣體。
6.訂貨說明
?、?本公司產品使用方便,系列齊全。訂貨時須寫明型號代號全稱,如:工作壓力為20MPa.公稱容量16L,直徑、為Φ219結構形式為雙頭的儲氣罐CQP219-16/20-A。
?、?若對儲氣罐有特殊要求時,請同本企業商洽。
?、?本企業保留設計更改權,對修改不另行通知。
7×24小時服務熱線 13736056877