球式電磁換向閥23QDF型
【所屬分類】:液壓電磁閥
【產品型號】:
【市場價格】:面議/電詢
【生產廠家】:寧波朝日液壓有限公司
【訪問人次】:次
1.產品概述
本型球式電磁換向閥是依據國外資料研制而成。主要用于二通插裝閥液壓系統中實現無泄漏先導控制,在滿足壓降—流量特性要求時也可作為其他執行機構的方向控制元件。
本型球式電磁換向閥主要由電磁鐵和換向閥組成,通過杠桿連接將電磁鐵輸出的推力放大,并通過推桿推動閥芯,實現換向。閥芯采用優質高精度鋼球,無軸向密封長度,換向過程中不存在液壓力造成的徑向卡緊,因而換向可靠且響應快。根據此閥的結構特點及材質的選用,使它廣泛適用于以礦物油、乳化液、高水基液體、甚至是氣體介質的控制系統中。
本型球式電磁換向閥采用卸荷型結構,能自動平衡系統工作介質壓力變化對閥芯軸向作用力的影響,使閥口保持恒定密封力的密封狀態。本型球式電磁換向閥有二位三通。
2.型號說明
※ 23 QD F6 ※ / ※ E24
?、?② ③ ④ ⑤ ⑥ ⑦
?、?工作介質:省略—礦物油 W—乳化液或高水基液體
?、?23一二位三通
?、?名稱代號:球式電磁換向閥
?、?公稱通徑:6.10MM
⑤ 機能代號:K—常開、B—常閉
⑥ 壓力等級:315-31.5Mpa;200-20Mpa
?、?額定工作電壓:24VDC;220VAC
3.技術參數
公稱壓力:31.5MPa或20MPa
適用介質:礦物油、乳化液或高水基液體
介質溫度:-15℃~65℃
介持粘度:10~350cSt
過濾精度:≤25μ

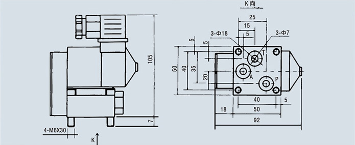
4.外形尺寸
二位三通球式電磁換向閥※23QDFF6※/※ E24

5.訂貨說明
① 訂貨時須寫明型號代號全稱,如:通徑6mm,工作壓力31.5Mpa,工作電壓24VDC,二位三通常開式電磁換向閥(工作介質為礦物油)23QDF6K/315E24
?、?nbsp;如對此球式電磁換向閥由特殊要求時,請同本企業商洽。
③ 本企業保留設計更改權,對修改不另行通知。
CN
EN
ES


